
C 3984 M yn dwyn
Pwysau: 72kg
Dwyn rholer toroidal carb

Disgrifiad o gynhyrchion
Nifysion
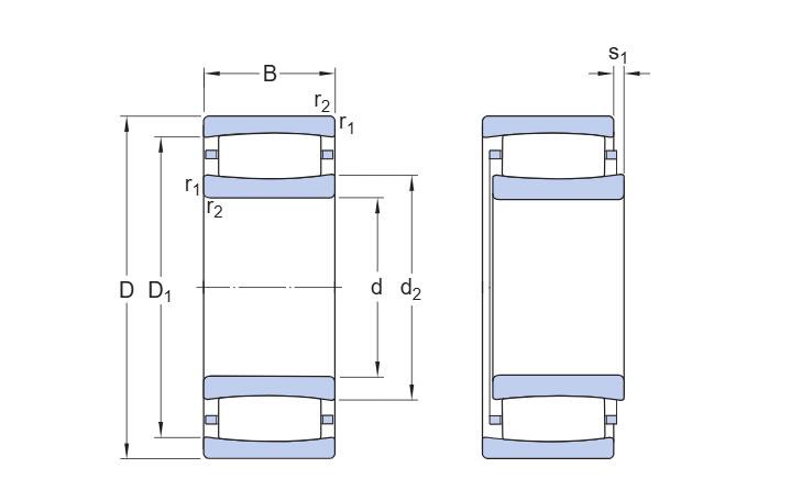
| d |
420 mm |
Diamedr turio |
|---|---|---|
| D |
560 mm |
Diamedr y tu allan |
| B |
106 mm |
Lled |
| d2 |
≈461 mm |
Diamedr ysgwydd y cylch mewnol |
| D1 |
≈523 mm |
Diamedr ysgwydd neu doriad y cylch allanol |
| s1 |
Max.21.3 mm |
Dadleoli echelinol a ganiateir |
| r1,2 |
min.4 mm |
Dimensiwn Chamfer |
Dimensiynau ategwaith
| da |
min.435 mm |
Diamedr ategwaith siafft |
|---|---|---|
| da |
Max.484 mm |
Diamedr ategwaith siafft |
| Da |
min.510 mm |
Diamedr ategwaith tai |
| Da |
Max.545 mm |
Tai diamedr ategwaith |
| Ca |
min.1.8 mm |
Lleiafswm lled y lle sy'n ofynnol mewn tai |
| ra |
Max.3 mm |
Radiws ffiled |
|
Gwerth negyddol ar gyfer cayn ddamcaniaethol. |
||
Data cyfrifo
| Dosbarth Perfformiad SKF |
SKF Explorer |
|
| Sgôr llwyth deinamig sylfaenol | C |
2 160 kn |
| Sgôr llwyth statig sylfaenol | C0 |
4 250 kn |
| Terfyn Llwyth Blinder | Pu |
310 kn |
| Cyflymder Cyfeirnod |
850 r/min |
|
| Cyflymder Cyfyngu |
1 200 r/min |
|
| Ffactor Camlinio | k1 |
0.132 |
| Ffactor clirio mewnol | k2 |
0.098 |
Mae dwyn rholer toroidal carb 3984 M yn dwyn perfformiad uchel sydd wedi'i gynllunio i drin llwythi trwm ac amodau gweithredu cymhleth. Mae'n cyfuno buddion Bearings rholer silindrog a sfferig, gan gynnig gallu i gario llwyth eithriadol a'r gallu i ddarparu ar gyfer llwythi rheiddiol ac echelinol. Mae'r dwyn carb yn cynnwys dyluniad hunan-alinio unigryw, sy'n caniatáu iddo addasu i gamlinio a llwythi amrywiol, gan ei wneud yn ddelfrydol ar gyfer cymwysiadau lle mae manwl gywirdeb a dibynadwyedd yn hollbwysig. Mae ei adeiladu cadarn a'i geometreg fewnol uwch yn sicrhau'r ffrithiant lleiaf posibl a'r effeithlonrwydd ynni gorau posibl, gan ei wneud yn ddewis a ffefrir ar gyfer mynnu cymwysiadau diwydiannol.
Un o fanteision allweddol dwyn rholer toroidal carb 3984 M yw ei allu i drin llwythi a dirgryniadau sioc yn effeithiol. Mae hyn yn ei gwneud yn addas i'w ddefnyddio mewn peiriannau trwm, offer mwyngloddio, a chymwysiadau eraill lle mae amodau gweithredol yn llym. Yn ogystal, mae gallu hunan-alinio'r dwyn yn lleihau'r risg o wisgo cynamserol ac yn ymestyn ei oes gwasanaeth. Mae'r dwyn carb hefyd yn cynnig dyluniad cryno, sy'n arbed lle ac yn caniatáu ar gyfer gosod yn haws mewn cyfluniadau peiriannau tynn. Mae ei allu a'i wydnwch cario llwyth uchel yn ei wneud yn ddatrysiad cost-effeithiol i ddiwydiannau sy'n gofyn am berfformiad dwyn dibynadwy a hirhoedlog.
Defnyddir dwyn rholer toroidal carb 3984 M yn helaeth mewn amrywiol gymwysiadau diwydiannol, gan gynnwys tyrbinau gwynt, melinau papur, a pheiriannau dyletswydd trwm. Mae ei amlochredd a'i allu i berfformio o dan amodau eithafol yn ei gwneud yn ddewis poblogaidd i beirianwyr a gweithgynhyrchwyr sy'n ceisio gwneud y gorau o berfformiad eu hoffer. Gyda'i ddyluniad datblygedig a'i ymarferoldeb uwch, mae dwyn carb C 3984 M yn ddatrysiad dibynadwy ac effeithlon ar gyfer cwrdd â heriau gweithrediadau diwydiannol modern. Trwy ddewis y dwyn hwn, gall diwydiannau sicrhau gweithrediadau llyfnach, llai o amser segur, a chostau cynnal a chadw is, gan gyfrannu yn y pen draw at fwy o gynhyrchiant a phroffidioldeb.


Tagiau poblogaidd: C 3984 M yn dwyn, C 3984 M Cyflenwyr yn dwyn
Fe allech Chi Hoffi Hefyd
Anfon ymchwiliad






